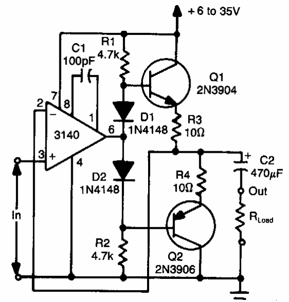
Encontrado numa Radio Electronics dos anos 90, este circuito pode drenar ou fornecer correntes até 50 mA com os transistores indicados. Outros operacionais podem ser utilizados.

Encontrado numa Radio Electronics dos anos 90, este circuito pode drenar ou fornecer correntes até 50 mA com os transistores indicados. Outros operacionais podem ser utilizados.
