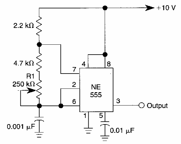
Esta configuração tradicional foi retirada de um folheto técnico americano dos anos 90. O circuito gera sinais de 2800 Hz a 80 kHz com os valores dos componentes utilizados.

Esta configuração tradicional foi retirada de um folheto técnico americano dos anos 90. O circuito gera sinais de 2800 Hz a 80 kHz com os valores dos componentes utilizados.
