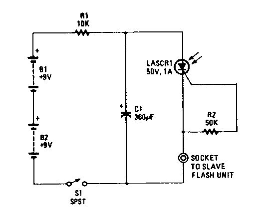
Este circuito foi encontrado numa Popular Electronics dos anos 90. Ele faz uso de um LASCR que é um foto-SCR não muito comum em nossos dias.

Este circuito foi encontrado numa Popular Electronics dos anos 90. Ele faz uso de um LASCR que é um foto-SCR não muito comum em nossos dias.
