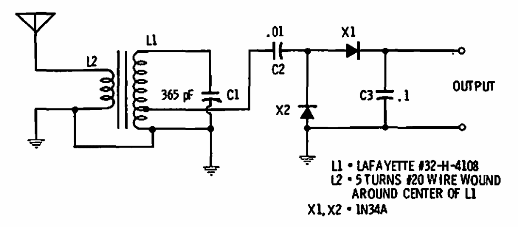
Este circuito usa dois diodos numa configuração dobradora para receber sinais da faixa de ondas médias. O fone é de cristal. Encontramos em documentação americana de 1968.
Este circuito usa dois diodos numa configuração dobradora para receber sinais da faixa de ondas médias. O fone é de cristal. Encontramos em documentação americana de 1968.