Fonte de 11 a 32 V com 700 mA CIR15629S CB8500E (CIR18592)
Detalhes
Escrito por: Newton C. Braga
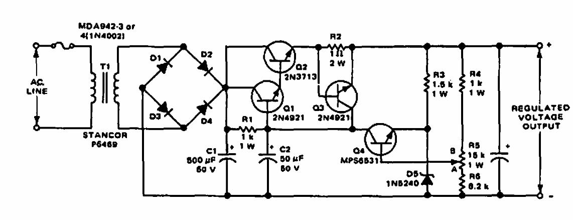
Encontrado numa Electronics World de 1969, este circuito faz uso de transistores da época. Podem ser usados transistores equivalentes. Os diodos podem ser 1N4004.