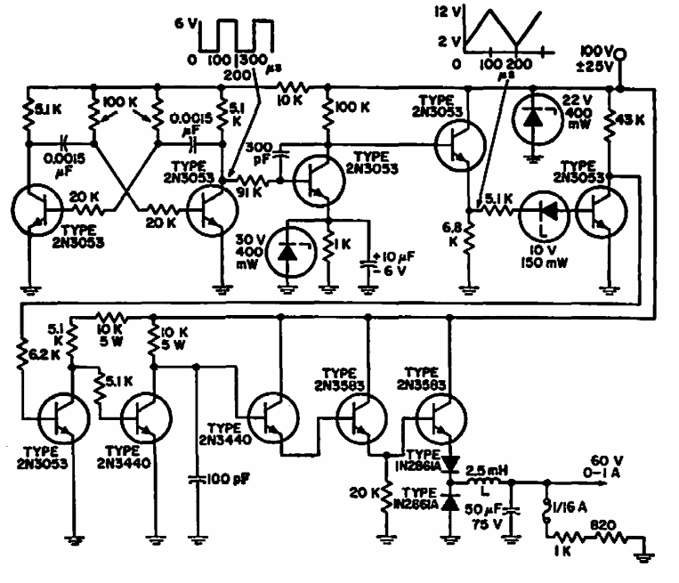
Encontrado numa documentação da RCA dos anos 60, este regulador de 60 V tem entrada de 100 V e uma corrente de 1 A. Os transistores são da época. Pode-se tentar o uso de equivalentes modernos.
Encontrado numa documentação da RCA dos anos 60, este regulador de 60 V tem entrada de 100 V e uma corrente de 1 A. Os transistores são da época. Pode-se tentar o uso de equivalentes modernos.