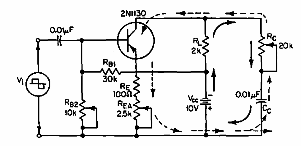
Este interessante circuito foi encontrado numa documentação de 1968. O transistor pode ser equivalente de uso geral. O circuito pode funcionar como shield.

 


| Clique na imagem para ampliar |

 

 

 

NO YOUTUBE


NOSSO PODCAST