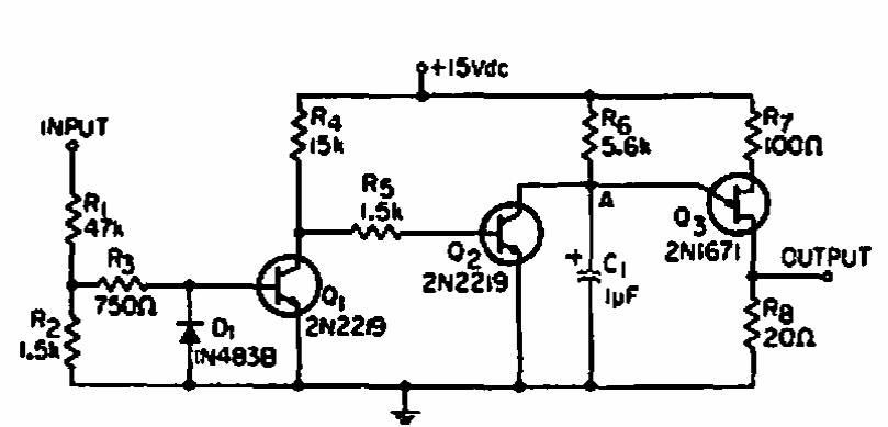
Encontrado numa EEE de 1967, este circuito usa o sinal da rede de corrente alternada para produzir pulsos a partir de um Unijunção. O circuito é excitado diretamente pela tensão da rede.

 

 


| Clique na imagem para ampliar |

 

 

NO YOUTUBE


NOSSO PODCAST