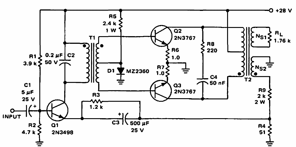
Este circuito driver de motor AC foi encontrado em documentação da Motorola de 1968. Não foram dadas informações sobre as características dos transformadores usados.

 


| Clique na imagem para ampliar |

 

 

NO YOUTUBE


NOSSO PODCAST