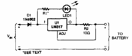
Este circuito consiste num regulador de corrente que pode ser usado em carregadores de bateria. A configuração que pode ser encontrada em outros pontos desta seção, é de uma Popular Electronics dos anos 80.

 


 

 

 

NO YOUTUBE


NOSSO PODCAST