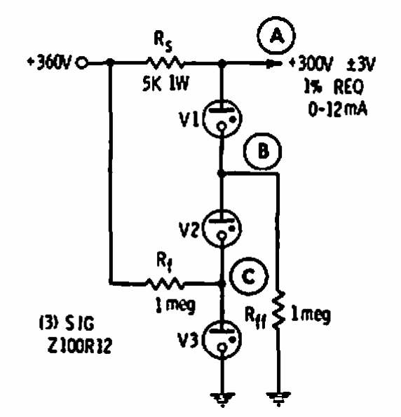
Usando lâmpadas neon, este regulador foi encontrado em documentação de 1969. As lâmpadas são tipos disponíveis na época.

 


 

 

 

 

NO YOUTUBE


NOSSO PODCAST