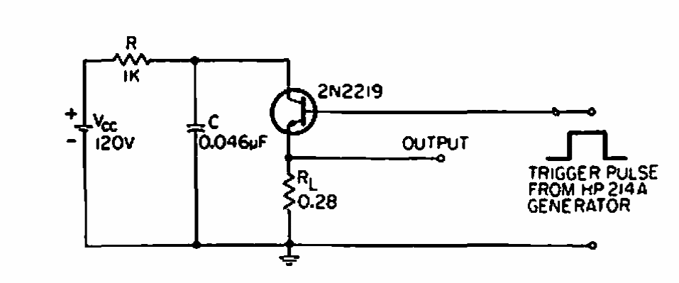
Esta etapa chaveadora de alta corrente foi encontrada numa EEE de 1967. O transistor de potência é da época. O pico de corrente pode chegar a 30 A.

 


| Clique na imagem para ampliar |

 

 

NO YOUTUBE


NOSSO PODCAST