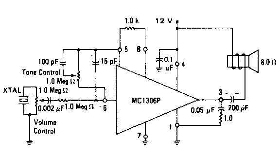
Encontrado em documentação dos anos 80, este amplificador utiliza um circuito integrado da época. Este componente é pouco comum em nossos dias.

Encontrado em documentação dos anos 80, este amplificador utiliza um circuito integrado da época. Este componente é pouco comum em nossos dias.
