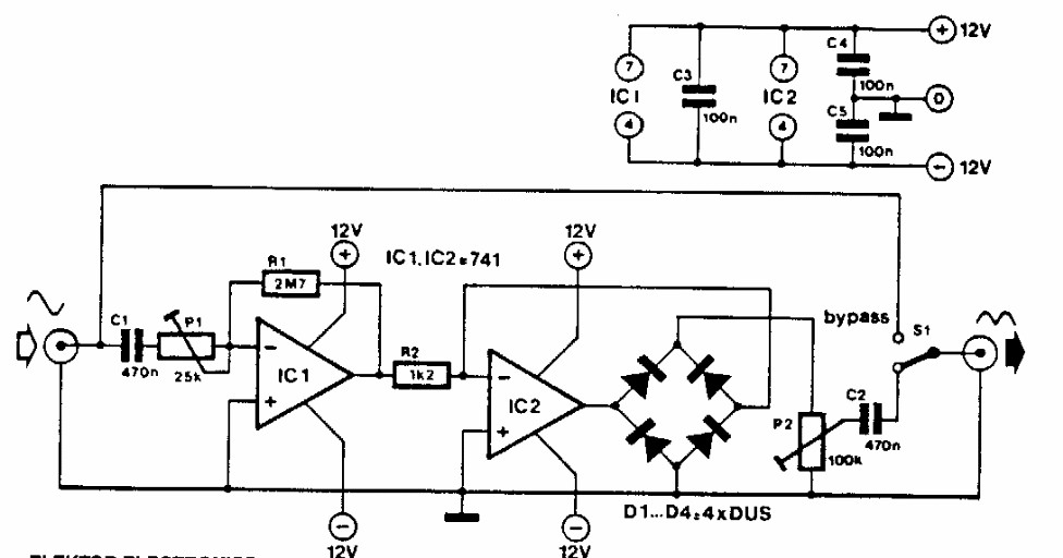
Este circuito dobra a frequência de um sinal de áudio, mudando assim seu timbre. O circuito foi encontrado numa Elektor dos anos 90. Os componentes são comuns em nossos dias.

 


| Clique na imagem para ampliar |

 

 

NO YOUTUBE


NOSSO PODCAST