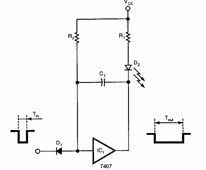
Este alargador ou esticador de pulsos TTL foi encontrado numa EDN dos anos 90. A constante de tempo R x C1 determina o alargamento do pulso de entrada.

 


| Clique na imagem para ampliar |

 

 

 

NO YOUTUBE


NOSSO PODCAST