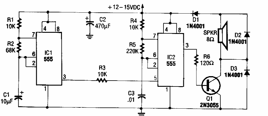
Encontrada numa Radio Electronics dos anos 90, esta sirene encontra muitas variações neste site, O transistor deve ser dotado de radiador de calor.

 


| Clique na imagem para ampliar |

 

 

NO YOUTUBE


NOSSO PODCAST