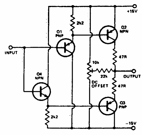
Este circuito foi encontrado numa documentação dos anos 90. Os transistores podem ser de qualquer tipo de uso geral. O circuito tem resposta de frequência de acordo com os transistores usados.

Este circuito foi encontrado numa documentação dos anos 90. Os transistores podem ser de qualquer tipo de uso geral. O circuito tem resposta de frequência de acordo com os transistores usados.
