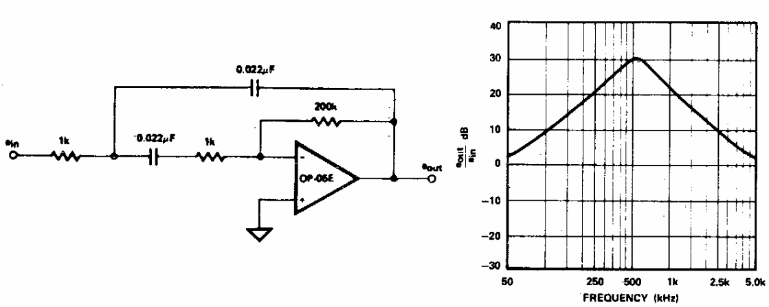
Este filtro Sallen Key de 500 Hz foi encontrado em documentação dos anos 90. Podem ser usados amplificadores operacionais equivalentes. A fonte de alimentação deve ser simétrica.
Este filtro Sallen Key de 500 Hz foi encontrado em documentação dos anos 90. Podem ser usados amplificadores operacionais equivalentes. A fonte de alimentação deve ser simétrica.