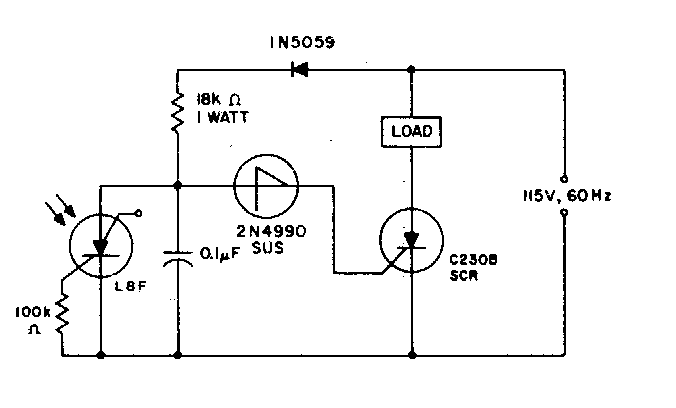
Este circuito usa um foto-SCR ou LASCR que não é um componente comum atualmente. O relé depende da carga, e a alimentação é feita pela rede de energia.

 


| Clique na imagem para ampliar |

 

 

NO YOUTUBE


NOSSO PODCAST