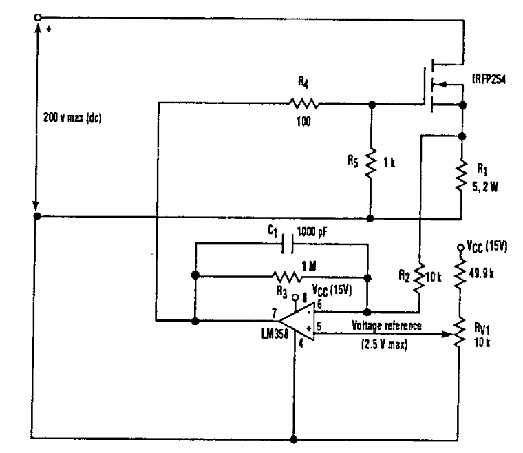
Encontrado numa Electronic Design dos anos 90, este circuito simula um resistor de 100 W. O transistor de potência deve ser de acordo com a corrente desejada na carga em teste.
Encontrado numa Electronic Design dos anos 90, este circuito simula um resistor de 100 W. O transistor de potência deve ser de acordo com a corrente desejada na carga em teste.