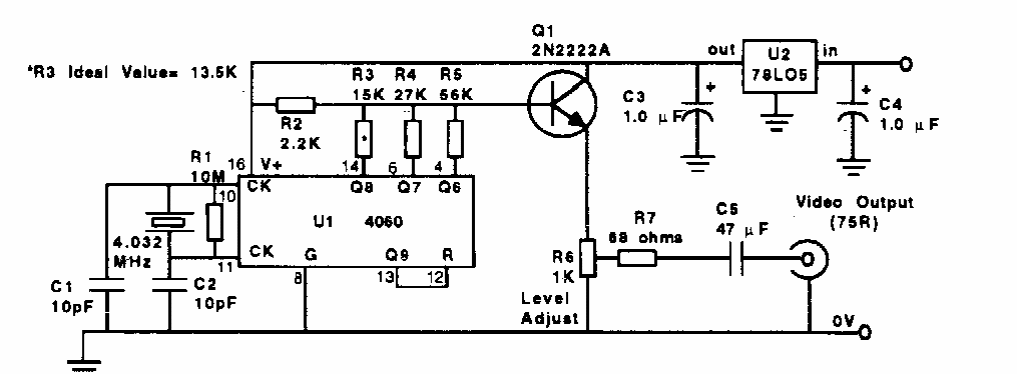
Este circuito foi encontrado numa revista 73 para radioamadores. Os componentes são ainda comuns em nossos dias.

 


| Clique na imagem para ampliar |

 

 

 

NO YOUTUBE


NOSSO PODCAST