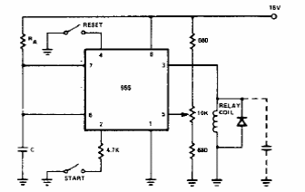
Encontrado numa documentação dos anos 90, este temporizados alcança temos que podem passar de 1 hora dependendo de Ra e C. O circuito aciona diretamente um relé sensível.

Encontrado numa documentação dos anos 90, este temporizados alcança temos que podem passar de 1 hora dependendo de Ra e C. O circuito aciona diretamente um relé sensível.
