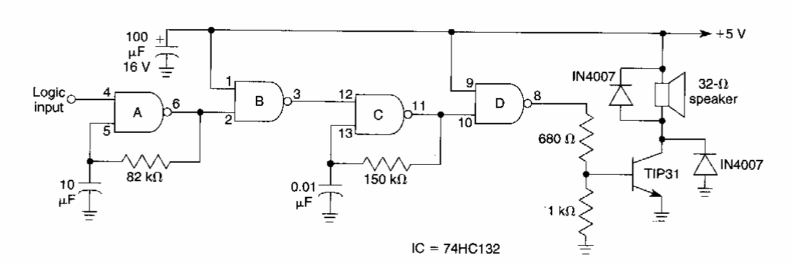
Este oscilador variável com etapa de potência para alarmes foi encontrado numa documentação americana dos anos 90. O transistor de potência deve ser dotado de dissipador de calor.

 


| Clique na imagem para ampliar |

 

 

NO YOUTUBE


NOSSO PODCAST