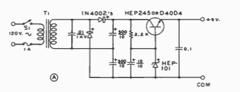
Esta simples fonte regulada foi encontrada numa documentação de 1977. O diodo zener determina a tensão e o transistor deve ser de acordo com a corrente de saía.

Esta simples fonte regulada foi encontrada numa documentação de 1977. O diodo zener determina a tensão e o transistor deve ser de acordo com a corrente de saía.
