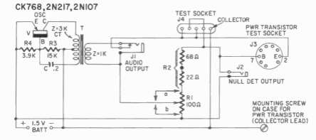
Encontramos este circuito numa documentação de Gernsback de 1960. O circuito se destina a transistores de germânio e o transistor usado é de germânio da época.

Encontramos este circuito numa documentação de Gernsback de 1960. O circuito se destina a transistores de germânio e o transistor usado é de germânio da época.
