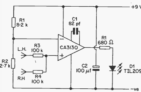
Este indicador de pico para amplificadores estéreo usa um CA3130. O circuito dos anos 80 não necessita de fonte de alimentação simétrica.

Este indicador de pico para amplificadores estéreo usa um CA3130. O circuito dos anos 80 não necessita de fonte de alimentação simétrica.
