O
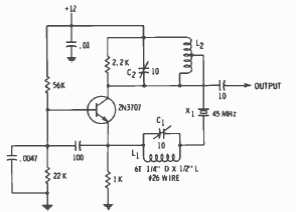
Este oscilador de frequência variável foi obtido num Radio Handbook de 1977. O transistor admite equivalente moderno. As bobinas dependem da faixa de frequências gerada.

O
Este oscilador de frequência variável foi obtido num Radio Handbook de 1977. O transistor admite equivalente moderno. As bobinas dependem da faixa de frequências gerada.
