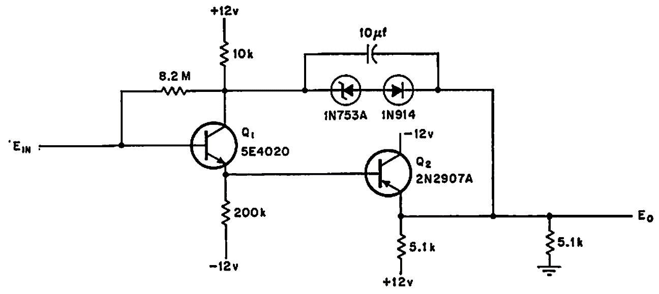
A finalidade deste circuito é estender a faixa de aplicações de um par Darlington até DC. O circuito é de uma documentação americana de 1970.

 


| Clique na imagem para ampliar |

 

 

 

NO YOUTUBE


NOSSO PODCAST