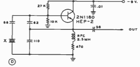
Este oscilador de 1 transistor foi encontrado num Radio Handbook de 1977. O transistor pode ser equivalente moderno e a frequência depende do cristal podendo chegar aos 25 MHz.

 


 

 

 

 

NO YOUTUBE


NOSSO PODCAST