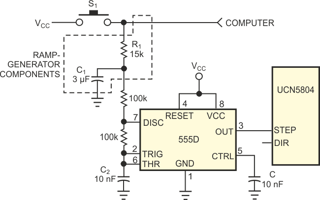
Baseado no 555, este circuito foi obtido em documentação da Internet, servindo para gerar um sinal de rampa para um drive de motor de passo UCN5804. O circuito tem os passos determinados pelos resistores de tempo e R1/C1 geram a rampa.

 


| Clique na imagem para ampliar |

 

 

 

NO YOUTUBE


NOSSO PODCAST