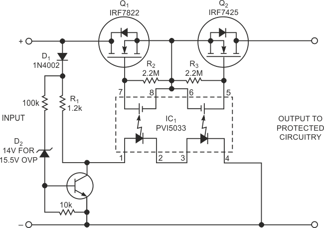
Este circuito protetor usa diodos Shottky em um circuito integrado PVI5033 e IRF7822 da International Rectifier. O circuito tem uma resistência de apenas 0,013 ohm com carga de 10 A.
Este circuito protetor usa diodos Shottky em um circuito integrado PVI5033 e IRF7822 da International Rectifier. O circuito tem uma resistência de apenas 0,013 ohm com carga de 10 A.