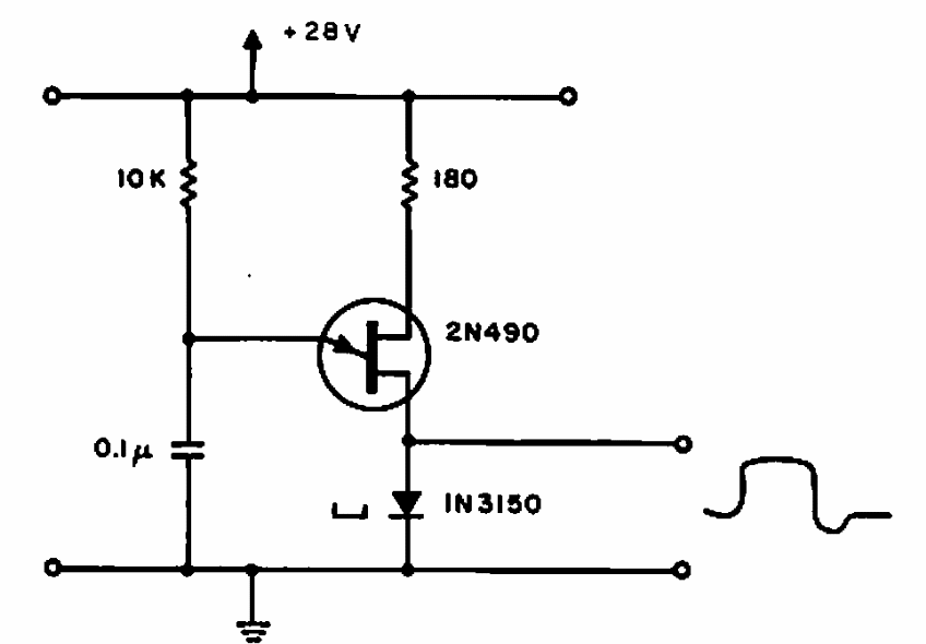
Com um transistor unijunção e um diodo túnel é possível obter tempos de subida de 1 ns com o circuito mostrado na figura. O circuito é de uma Electronic Design de 1965.

 


| Clique na imagem para ampliar |

 

 

 

NO YOUTUBE


NOSSO PODCAST