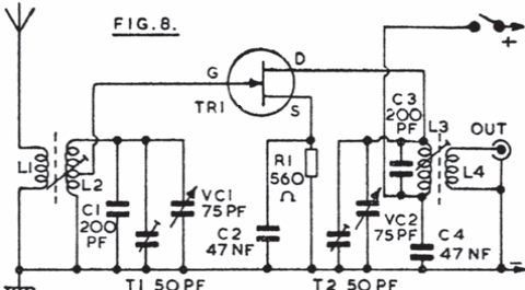
Este circuito se destina a amplificação de sinais na faixa de 1,8 a 20 MHz. O transistor pode ser um BF245 ou MPF102. Encontramos numa documentação inglesa antiga.

Este circuito se destina a amplificação de sinais na faixa de 1,8 a 20 MHz. O transistor pode ser um BF245 ou MPF102. Encontramos numa documentação inglesa antiga.
