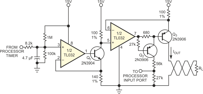
A base deste circuito é o TL032 da Texas Instruments. O circuito converte uma entrada nesta faixa em tensões que podem ser transmitidas a partir de sensores. O circuito permite o uso de par trançado.
A base deste circuito é o TL032 da Texas Instruments. O circuito converte uma entrada nesta faixa em tensões que podem ser transmitidas a partir de sensores. O circuito permite o uso de par trançado.