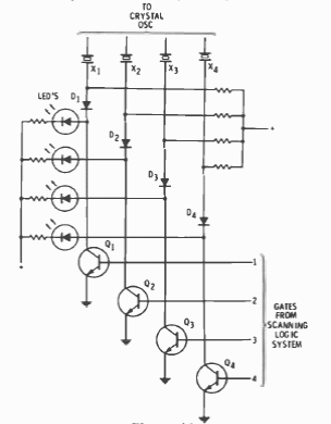
Este circuito seleciona cristais num receptor de comunicações ou transmissor. Os transistores são de uso geral. O circuito é de um Radio Handbook de 1977.

Este circuito seleciona cristais num receptor de comunicações ou transmissor. Os transistores são de uso geral. O circuito é de um Radio Handbook de 1977.
