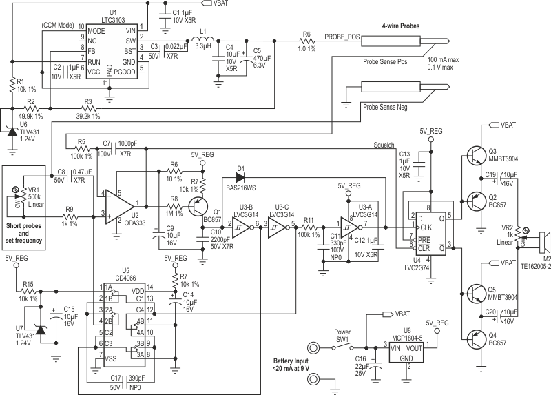
Com base em lógica CMOS este circuito de localizador de curto-circuitos utiliza a capacidade do ouvido de detectar pequenas mudanças de tom, que são provocadas por variação de milivolts numa trilha em análise.

 


| Clique na imagem para ampliar |

 

 

 

NO YOUTUBE


NOSSO PODCAST