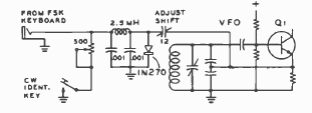
Este circuito foi encontrado em documentação de 1977. Sua finalidade é comutar por diodo a frequência de um VFO. A frequência depende do oscilador.

Este circuito foi encontrado em documentação de 1977. Sua finalidade é comutar por diodo a frequência de um VFO. A frequência depende do oscilador.
