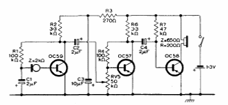
Este circuito de 3 transistores foi encontrado num manual da Mullard de 1960. Os transistores são de germânio da época e a escuta é em fone de alta impedância.

Este circuito de 3 transistores foi encontrado num manual da Mullard de 1960. Os transistores são de germânio da época e a escuta é em fone de alta impedância.
