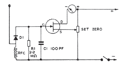
Este circuito aperiódico foi encontrado numa documentação inglesa antiga. O transistor pode ser qualquer JFET e o instrumento de 100 uA de fundo de escala.

Este circuito aperiódico foi encontrado numa documentação inglesa antiga. O transistor pode ser qualquer JFET e o instrumento de 100 uA de fundo de escala.
