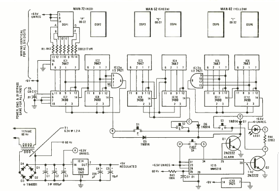
Encontrado numa revista Radio Electronics de novembro de 1977, este circuito digital foi descrito num artigo que o ensinava a montar. O circuito de 6 dígitos consistia num relógio.

Encontrado numa revista Radio Electronics de novembro de 1977, este circuito digital foi descrito num artigo que o ensinava a montar. O circuito de 6 dígitos consistia num relógio.
