Este circuito é adaptado do meu livro Robótica, Mecatrônica e Inteligência Artificial - Robotics, Mechatronics and Artificial Intelligence (esgotado) publicado nos Estados Unidos. Ele pode ser usado como um shield para motores de passo em projetos de mecatrônica ou robótica ou como um bloco de construção para projetos mais simples.
Motores de passo com requisitos de corrente de até 500 mA podem ser acionados diretamente dos CIs da série ULN200X. Esses CIs são formados por transistores de potência pareados, incluindo o resistor de base e o diodo para protegê-los contra os picos de tensão gerados quando os enrolamentos do motor de passo são ligados e desligados. A diferença entre os dois tipos é que resistores de valores diferentes são colocados em suas entradas.
No ULN2003, encontramos um resistor de 2.700 ohms, combinando as características do CI com a lógica TTL. No ULN2004, os resistores na entrada de cada estágio são 10,5 k Ω unidades, combinando suas características com a lógica CMOS.
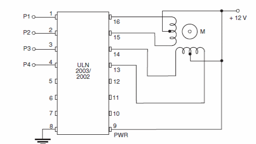
O circuito na Figura 1 mostra como o ULN2002 / 3 pode ser usado para acionar um motor de passo usando até 500 mA. Esse IC não precisa de um dissipador de calor e pode ser alimentado com tensões de até 12 V.
















