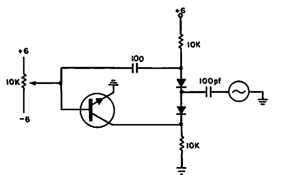
Este circuito simulador de seguidor de emissor foi obtido em uma documentação de 1964. O circuito pode ser elaborado com base em transistor moderno.

 


| Clique na imagem para ampliar |

 

 

 

NO YOUTUBE


NOSSO PODCAST