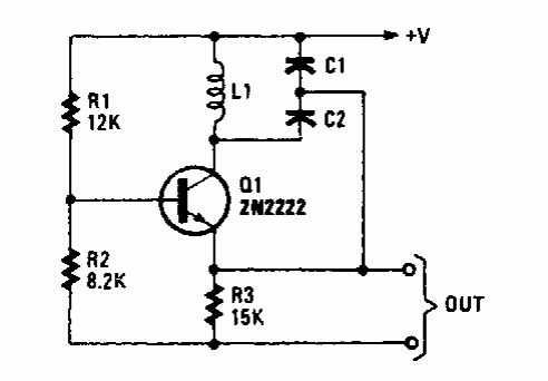
Encontrado numa Popular Electronics dos anos 90, este circuito alcança algumas dezenas de megahertz. L1, C1 e C2 determinam a frequência de operação.

Encontrado numa Popular Electronics dos anos 90, este circuito alcança algumas dezenas de megahertz. L1, C1 e C2 determinam a frequência de operação.
