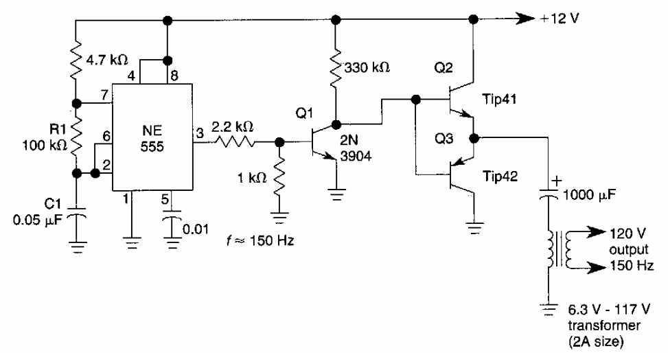
Encontrado numa documentação americana dos anos 90, este circuito gera uma tensão alternada de 120 V x 150 kHz. O transformador é do tipo de alimentação com primário de acordo com a rede e secundário de 6 ou 12 V.

 


| Clique na imagem para ampliar |

 

 

 

NO YOUTUBE


NOSSO PODCAST