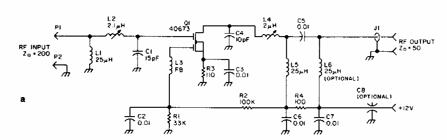
Encontrado numa revista 73 para radioamadores dos anos 80, este circuito usa um MOSFET de dupla comporta. Este componente não é comum atualmente.

 


| Clique na imagem para ampliar |

 

 

NO YOUTUBE


NOSSO PODCAST