Oscilador TTL ou CMOS CIR16279S CB9216E (CIR19273)
Detalhes
Escrito por: Newton C. Braga
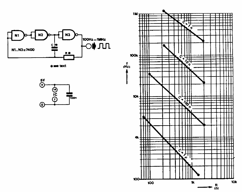
Na figura temos um oscilador básico com inversores obtidos de portas TTL, CMOS ou outras. O gráfico ao lado permite encontrar a frequência em função do resistor e do capacitor.