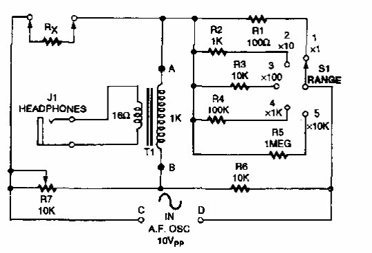
Encontrado numa Popular Electronics dos anos 80, esta ponte permite a medida de resistências em 5 faixas de valores. A fonte de sinal é um oscilador e o detector de nulo um fone de ouvido.

Encontrado numa Popular Electronics dos anos 80, esta ponte permite a medida de resistências em 5 faixas de valores. A fonte de sinal é um oscilador e o detector de nulo um fone de ouvido.
