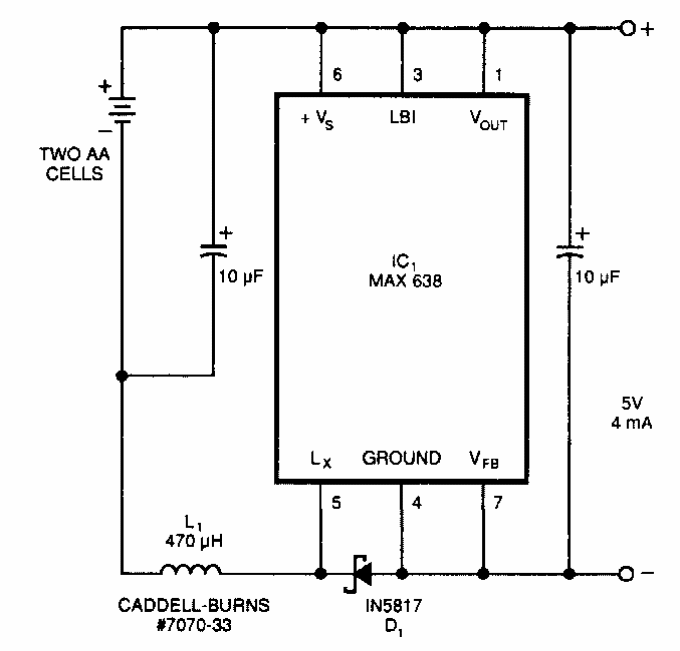
Este circuito fornece uma tensão de 5 V a partir de duas pilhas AA. A corrente de saída é de 4 mA, resultando numa corrente de entrada de 11 mA das pilhas. O circuito é de uma EDN antiga.
Este circuito fornece uma tensão de 5 V a partir de duas pilhas AA. A corrente de saída é de 4 mA, resultando numa corrente de entrada de 11 mA das pilhas. O circuito é de uma EDN antiga.