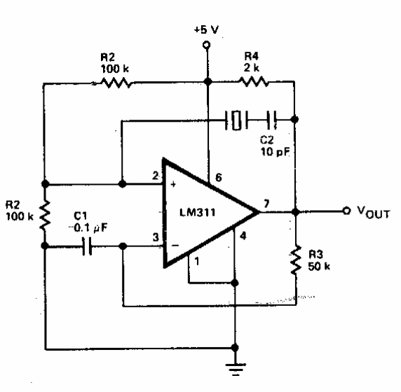
Encontrado em documentação dos anos 80, este circuito gera sinais que podem chegar a alguns megahertz. O circuito integrado é da época, difícil de obter em nossos dias.

Encontrado em documentação dos anos 80, este circuito gera sinais que podem chegar a alguns megahertz. O circuito integrado é da época, difícil de obter em nossos dias.
