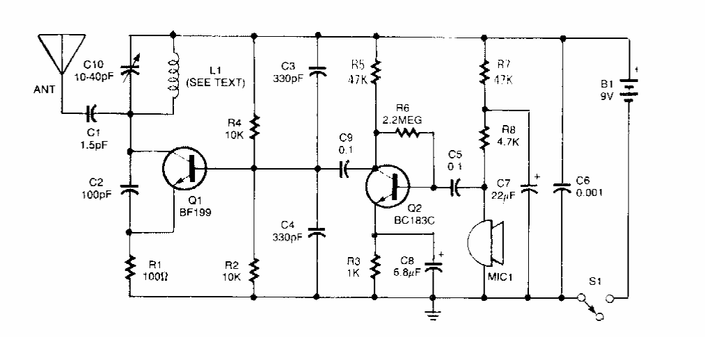
Esta versão é uma das muitas que podem ser encontradas em nosso site. Encontramos numa Radio Electronics dos anos 90. Os transistores admitem equivalentes modernos.

 


| Clique na imagem para ampliar |

 

 

 

NO YOUTUBE


NOSSO PODCAST